
分享到
新浪微博

分享到
朋友圈

分享到
QQ空间




发布日期:2020/5/15 13:43:40 来源: 阅读量()
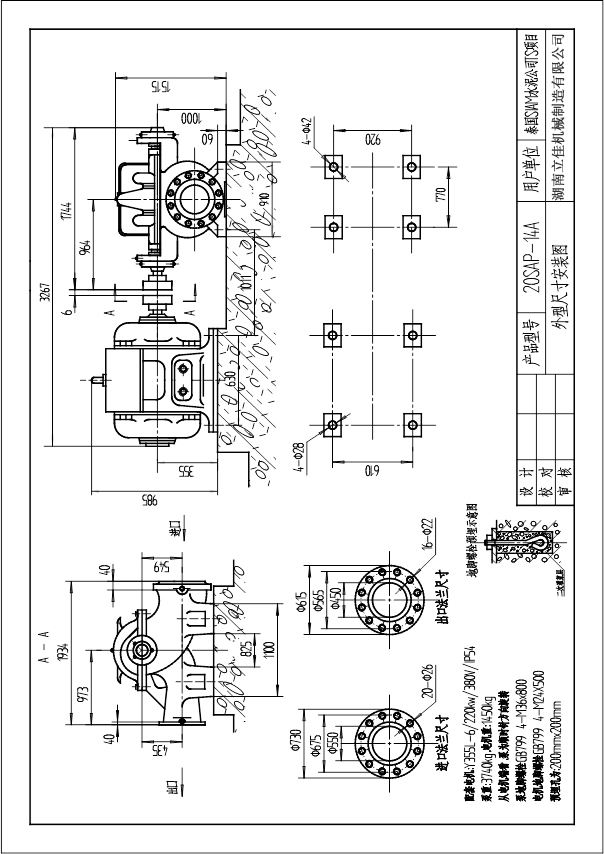
SA(SAM、SAF、SAP、SLA)型单级双吸中开离心泵输送的介质温度为-20℃--80℃,适用于输送各种工业用水、生活用水、自来水及水利工程,农田排灌等用途。 SA型用于输送清水或物理、化学性质类似于清水的液体。 SAM型用于输送含有一定量的固体颗粒的腐蚀性液体。 SAF型用于输送各类腐蚀性液体。 SAP型是在SA型泵的基础上吸收消化国外同类泵技术上改型和扩充的一个新品种。 ● 性能范围:流量:72--9900m³/h 扬程:6.8—104m 所有泵均可根据用户使用要求调整其运行参数。 ● 结 构:SA(SAM、SAF、SAP)型泵为卧式安装,吸入口与吐出口均在泵轴中心线下方,泵体水平中开,检修时不需折卸进、出水管路。 SLA为立式安装,吸入口和吐出口均在水平方向,泵体、泵盖的分开面在轴中心线上垂直分开。 轴承:泵两端均为滚动轴承(其中24SA--18、16SA--90可选用滑动轴承)支撑转子部件,稀油或油脂润滑。 轴封:①软填料密封;②机械密封从电机端看,泵逆时针旋转,也可按用户要求制成顺时针旋转。 ● 过流部件材质:泵的过流部件材质均为铸铁,如用户需要可采用铸钢和铜制造,但需要在合同中注明。 ● 型号说明:例:10SA(SAP、SAM、SAF、SLA)--6A 10一吸入口径被25除(即吸入口径为250mm) SA--单级双吸离心清水泵 SAP--SA改进泵 SAM--耐磨型单级双吸离心泵 SAF--耐腐蚀型单级双吸离心泵 SLA--立式单级双吸离心泵 6--比转数被10除化整的约数 A--叶轮第一次切割 结构说明: SAP型系列泵结构见图所示 1、本型泵壳体部分主要由泵体、泵盖、密封环等零件组成,泵为卧式安装,泵壳于轴心线处分开,上部为泵盖,下部为泵体,吸入口和吐出口均在泵轴线下方的泵体上,其中心线与轴线垂直。检修时不需拆卸进水和出水管路,即可揭开泵盖,取出转子部件进行检修和更换有关零件。 2、转子部件由轴、叶轮、轴套、挡水圈、锁紧螺母等零件组成,轴上零件均由两端圆螺母锁紧,并将整个主轴保护起来,从而提高轴的使用寿命,转子上轴向力由叶轮自身平衡,剩余轴向力由滚动轴承承受。 3、轴承采用滚动轴承、干油润滑。轴承装在轴承衬套上成为一体,便于轴上零件的更换。轴际端盖密封采用骨架油封。 4、轴封采用软填料密封和机械密封两种形式,供用户选择。 填料密封由填料套、填料环、填料和填料压盖等零件组成。填料部位的冷却、润滑均由水封管部件通过引用泵内自身水完成。 机械密封由非平衡型机械密封部件和压盖等零件组成。 机械密封部位的冲洗、冷却水由水封管部件通过引用泵内自身水完成,也可接用外来水完成。 5、水封管部件由水封管、弯头、和闸阀组成。 6、本系列泵采用弹性柱销联轴器由电机直接驱动。 7、泵的旋转方向,从电机端向泵看,为逆时针方向旋转,即吸入口在左,吐出口在右。 根据用户要求,也可将驱动端移到泵的另一端。此时,转向和吸入、吐出口方向均与上述相反。 泵 型 号 装配部位 轴 承 名 称 轴承规格 数 量 轴承体结构型式 6SAP-6 从动端 深沟球轴承 310 1 结构一 驱动端 深沟球轴承 310 1 6SAP-8 8SAP-10 从动端 深沟球轴承 308 1 驱动端 深沟球轴承 308 1 8SAP-7 从动端 深沟球轴承 312 1 驱动端 深沟球轴承 312 1 10SAP-6 12SAP-10 从动端 深沟球轴承 316 1 驱动端 深沟球轴承 316 1 12SAP-4 从动端 深沟球轴承 6316 1 结构三 不带轴承内套 驱动端 深沟球轴承 6316 1 14SAP-4 从动端 深沟球轴承 6319 1 结构三 不带轴承内套 驱动端 单列向心短圆柱滚子轴承 NU319 1 14SAP-10 14SAP-20 从动端 深沟球轴承 316 1 结构一 驱动端 深沟球轴承 316 1 16SAP-9J 从动端 深沟球轴承 319 1 驱动端 单列向心短圆柱滚子轴承 32319 1 16SAP-10 从动端 深沟球轴承 318 1 结构二 驱动端 深沟球轴承 318 1 16SAP-13 从动端 深沟球轴承 313 1 结构三 不带轴承内套 驱动端 深沟球轴承 313 1 20SAP-4 从动端 深沟球轴承 6326 1 结构三 不带轴承内套 驱动端 单列向心短圆柱滚子轴承 NU326 1 20SAP-5 从动端 深沟球轴承 326 1 结构二 不带轴承内套 单列向心短圆柱滚子轴承 2326 1 驱动端 单列向心短圆柱滚子轴承 NU326 1 20SAP-6 从动端 深沟球轴承 326 1 结构二 单列向心短圆柱滚子轴承 NU326 1 驱动端 单列向心短圆柱滚子轴承 NU326 1 20SAP-10 从动端 深沟球轴承 324 1 结构一 驱动端 单列向心短圆柱滚子轴承 32324 1 20SAP-14 从动端 深沟球轴承 324 1 驱动端 单列向心短圆柱滚子轴承 32324 1 20SAP-20 20SAP-22 从动端 深沟球轴承 316 1 驱动端 深沟球轴承 316 1 20SAP-28 从动端 深沟球轴承 316 1 驱动端 深沟球轴承 316 1 24SAP-6 从动端 深沟球轴承 328 1 结构二 单列向心短圆柱滚子轴承 32328 1 驱动端 单列向心短圆柱滚子轴承 32328 1 24SAP-10 从动端 深沟球轴承 324 1 结构一 驱动端 深沟球轴承 324 1 轴承型号及规格表二 泵 型 号 装配部位 轴 承 名 称 轴承规格 数 量 轴承体结构型式 24SAP-14 从动端 深沟球轴承 324 1 结构一 驱动端 单列向心短圆柱滚子轴承 32324 1 24SAP-18 从动端 深沟球轴承 324 1 驱动端 单列向心短圆柱滚子轴承 32324 1 24SAP-28 从动端 深沟球轴承 319 1 驱动端 单列向心短圆柱滚子轴承 32319 1 26SAP-10 从动端 深沟球轴承+单列向心短圆柱滚子轴承 6326 NU326 各1 结构二 驱动端 单列向心短圆柱滚子轴承 NU326 1 28SAP-9J 从动端 深沟球轴承 330 1 结构一 驱动端 深沟球轴承 330 1 28SAP-12 从动端 深沟球轴承 6326 1 结构三 驱动端 单列向心短圆柱滚子轴承 NU326 1 28SAP-25 从动端 深沟球轴承 319 1 结构一 驱动端 单列向心短圆柱滚子轴承 2319 1 32SAP-9 从动端 深沟球轴承 330 1 结构一 驱动端 深沟球轴承 330 1 32SAP-10 从动端 深沟球轴承 6326 1 结构三 驱动端 单列向心短圆柱滚子轴承 NU326 1 32SAP-12 从动端 单列角接触轴承 37330BCB 2(背对背) 结构二 不带轴承内套 驱动端 深沟球轴承 630(SKF) 2 32SAP-13 从动端 深沟球轴承 6328 1 结构三 单列向心短圆柱滚子轴承 NU328 1 驱动端 单列向心短圆柱滚子轴承 NU328 1 32SAP-19 32SAP-25 从动端 深沟球轴承 324 1 结构一 驱动端 单列向心短圆柱滚子轴承 32324 1 36SAP-13 从动端 深沟球轴承 6326 2 结构二 不带轴承内套 驱动端 深沟球轴承 6326 2 36SAP-28 从动端 深沟球轴承 324 1 结构一 驱动端 单列向心短圆柱滚子轴承 32324 1 40SAP-11 从动端 深沟球轴承 6236 1 结构二 驱动端 单列向心短圆柱滚子轴承 NU236 1 44SAP-14 注:两端伸轴 角接触轴承 7336BCBM 1对 结构一 单列向心短圆柱滚子轴承 NU336 1 44SAP-25 从动端 单列向心短圆柱滚子轴承 32336 1 结构一 驱动端 深沟球轴承 334 1 48SAP-30 从动端 滑动轴承 安装 注意:设备的管道系统,基础和其它部分非泵厂设计,不属于泵厂的责任范畴。泵厂愿意提供资料和建议,但不对这些方面的设计和操作负责。 我们建议用户向精通基础、管道装置,油槽和有关装置的设计专家咨询,以补充和解释泵厂的资料,确保安装成功。 到货检查: 到货后,应立即对设备进行验收,因装运引起的任何缺陷应立即报告给承运人。 拆包装时要小心(见“搬运条款”)。包装内应包括说明书文本和其它部件(如电机)的说明书及装箱单。这些文件应放在一个安全方便的地方以供随时参考,安装前应掌握该手册的全部内容。 泵的零配件可能装于另外的包装内,提货时应检查件数。 储藏: 泵在存放和安装期内应避免腐蚀,若泵需放置一段时间再安装,请把它放在干凉而又干燥的地方,存放的位置要平稳,避免挤撞,盖子请勿拆开。 如存放时间过长,泵要采取防锈措施,放在无腐蚀的地方。 搬动: 泵移动时要小心,如处理不当可能导致泵的损坏或永久失调,吊泵时要细心,勿弯曲或损坏水管。提升泵或零部件的设备应有足够的起吊能力。 泵清洗: 泵运行前,泵腔内应用清水冲洗,清除锈蚀和运输、存放、安装过程中积累的杂物,若泵存放超过六个月,则应拆卸,清洗,检查后才能运行。 安装位置: 泵的安装位置应恰当,并尽可能接近所抽液源,要保证有操作,维修,拆卸和检查泵的适当空间。 主泵房应认真考虑,泵房应有足够能力的起吊设备,当泵用电机驱动时,应考虑环境对设备的影响,房间要通风,避免过热或过于潮湿。 基础: 基础必须牢固,并能吸收泵的振动和永久地支撑1.5倍的机组重量(包括电机)。和一般采用钢筋混凝土作基础。 地脚螺栓建议按下布置图浇固在混凝土中,为防止转动,螺栓的底部和套管上焊上一块带凸橼的大垫片。一次灌浆的基础面须低于底板下平面20~40㎜,以供二次灌浆用。 底板调平: 把设备放在基础上,用楔块或垫块来调平底板,用水平仪检查水平度,拧紧基础螺栓,用水平仪重新检查底板水平度。如有必要进行调整。 校准找正: 泵与电机的同心度至关重要,泵与电机是在工厂组装配套的,但因装运时底板变形,基础螺栓的不均匀拧紧或管道发生弯曲变形等现象,致使泵与电机不同心。因此,泵运行前须重新检查同心度。 确信泵体与底板紧固在一起后,取下联轴器螺栓,然后用千分尺或塞尺检查泵的偏差情况。每隔90°测量联轴器间距,一般泵和电机联轴器之间留3~5㎜间隙。 用直规(刀口尺)横过两联轴器每隔90°测量径向位移情况,并用塞尺测量误差(位移)数值。 现场电机安装: 关键检查电机偏心率。 泵和电机在工厂精心安装时,应检查旋转部件的偏心率。 泵和电机安装调整时,必须坚持电机联轴器的偏心率,因现场安装时电机轴偏心率漏检,经常发生轴被损坏的现象。 管道: 设备安装后,要连接吸入和排出管道,请勿用泵作为管道支架,所有管道均不能用泵支撑。安装附件时,注意避免让泵承受任何压力,管道应多用直管少用弯管,以减少水头损失。 在使用弯管时,泵进出口前后的直管部分应至少为管径的5~10倍长。 管道连接后,应按上述要求再次检查设备的调准情况。 出水管道: 出水管道必须比原排出口大一个规格,习惯上在出口管道上装一个闸阀和止回阀比较好,止回阀能防止停机时回流对泵的损害(泵厂对未装止回阀的损坏不负责任)。为便于检查,止回阀应装在闸与泵之间,闸阀也便于灌引水和泵的起动。 例外:大流量低扬程泵如:冷凝循环泵和灌溉用泵可不装止回阀。 吸入滤网: 为防止新管道内存在的杂物堆转动配合的损坏至关重要。清除杂物可在吸入管道上尽可能接近泵吸入口处装一个滤网,滤网的有效面积应大于吸入管截面积。在滤网的两边装上压力表来测量滤网的阻力。当设备起动时,请仔细观察滤网两侧压力表,如两个压力表的压力差异常增加,说明滤网已被污物和水垢堵塞,这时应停止泵的工作,清除杂物或更换滤网。当管路污物清除完后,取掉滤网。 四、起动前检查: 填料和机械密封: 首先确定您的泵是否装有机械密封或通用填料,如果填料或机械密封是在工厂安装的,可以直接使用。 注意:以上两种轴封形式的选用和安装,可根据用户要求确定。 填料的具体装法如下: 首先,拆下填料压盖,取出水封环,仔细清扫函内和轴上的污物,然后装入两根环形填料,切口错开180°,然后装上水封环,并使其与填料函内润滑水孔对齐。再装填料,最后将剩下的填料压盖装上。均匀拧紧压盖螺母后再松开,用手复紧到指紧的程度,这样就可以保证适当的泄漏量使填料得以润滑。 注意:填料压盖不要拧得太紧,使填料停止泄漏。少量的泄漏可以使填料得以润滑,如停止泄漏将会引起填料烧损和轴套插伤。 机械密封安装: 请参照机械密封样本尺寸及要求进行安装。 电机准备及润滑: 请按电机厂的说明做好电机的操作准备。接线后,旋转方向务必与泵上的箭头方向一致,在联轴器未连接时就要确认。 注意:联轴器连接前,必须检查电机转向,设备的旋转方向不正确会引起设备的损坏和人员的伤害。 电机驱动时,请注意电机铭牌标明的电压和频率须与线路一致。检查所有的接线头并根据线路图操作。电机的润滑参照电机厂的说明进行。 轴承: 装滚动轴承的泵用黄油作润滑剂,注入轴承体时,以占轴承体空间的70%为宜。 五、操作: 起动前的检查全部完成后,请注意以下的操作准备起动泵。 泵起动: 1、用手转动转子至少一周,观察所有零件是否旋转自如,因为安装运输过程不妥,管道变形可能会引起转子的咬合、摩擦。 2、给泵灌引水、用液源的水倒注,或用其它水源注入,或采用抽真空的方法均可。 3、检查系统布置。管道布置合理能使泵有效地输送所抽液体,每次泵起动,当排出管道无压力时,务必关闭出口闸阀。 4、如果填料函为外接水封,需要外接水源有充足的压力以产生适当的流量,如果接泵体压出室外的压力水则请用泵本身的水封管部件。 5、启动驱动机,使泵增速并让内部零件得到润滑。 6、泵达到额定转速,请逐渐打开吐出阀以避免速度突变和吸入管内压力波动。在任何时候请勿长时间关闭运行,否则泵内的液体就会增热甚至达到汽化的程度,使泵擦伤卡住,或使泵断流失去吸入能力。 7、调节阀门控制填料函密封水,确保适当的泄漏,使填料得到充分润滑,在适量的泄漏下保持压盖尽可能的松很重要,正常的泄漏量为10~15滴/分。如压盖过紧,则造成轴套和填料的磨损,同时增加机械损失。 8、短时间运行后,应检查所有螺栓的松紧情况,同时检查联轴器的同轴度和转子的灵活情况。 停机: 1、当停止水泵时,要慢慢关闭吐出阀门和真空计旋塞,然后停止电动机,并关闭压力旋塞,若所处环境温度较低时,应将泵体最下方的旋塞打开,放出泵内余水,以免冻裂。 2、当长期停止使用水泵时,应将水泵拆开擦干零件上的水,并在加工面上涂上防锈油,妥善保存。 操作检查: 1、注意轴承温度,一般不超过外界温度35℃,最高温度不应超过75℃。 2、填料需要少许泄漏以便冷却和润滑,请按前述方法调整压盖。 3、定期检查弹性联轴器。 4、水泵运行过程中应进行周期性检查,叶轮与密封环的间隙磨损过大时,应更换叶轮或密封环。 六、大修时的正规维修程序 填料更换: 当填料磨损到泄漏不能控制的程度,建议更换填料。首先旋下罗马,取下压盖,用夹子或钩子取下填料和水封环,然后彻底清洗填料函体,然后检查并更换磨损了得轴套,重新装上新的填料,请参照前述的“填料的具体装法”。 机械密封更换: 为更换机械密封,泵应拆卸,然后取下机械密封零件,换上新品,压盖也应彻底清洗,并换上新的“O”形圈。 从动端: 1、卸下轴承端盖,松下缩紧园螺母,取下轴承。 2、取下轴承体和挡水圈。 3、取下压盖螺栓和压盖。 4、取下轴套和“O”形圈。 5、取下带机械密封部件的轴套。 6、将动环在轴套上的位置划上标记线,然后从轴套上取下来。 7、在轴套上装上新的机封零件,并调到划线位置。 8、在轴上装上轴套,“O”形圈,安装压盖及压盖螺栓。 9、安装轴承衬套、轴承、挡水圈和锁紧园螺母并拧紧。 10、安装轴承体、轴承端盖、装上螺栓。 对驱动端机械密封的更换程序同上。 拆卸泵的程序:(请参考泵的结构图) 1、断开电源接头 2、断开联轴器 3、停止泵的其它辅助系统的工作 4、拆下任何可能妨碍拆卸的辅助管道 5、排出泵体内的水 6、旋下填料压盖螺母,取消压盖(若使用机封,需取下压盖螺栓) 7、卸下中开面螺栓 8、卸下泵盖 9、取下轴承体螺栓 10、吊下转子部件,放在架上 11、卸下锁紧联轴器的园螺母 12、卸下联轴器 13、卸下轴承衬套、轴承、轴承压盖、轴承体、挡水圈 14、取下叶轮挡套,“O”形圈、水封环、填料及填料衬套或卸下带机封的轴套(用机封时) 15、取下泵体口环 16、取下叶轮、键 零件检测: 更换标准的泵体口环,同时应全面检查轴承看是否有疲劳痕迹,如有请更换。 机械密封检验: 1、检查静环和动环的密封面看是否有磨损或裂痕。 2、检查“O”形圈是否有损坏。检查所有垫片和弹簧。 3、安装机封时请参照“机械密封更换方法”进行。 泵体、泵盖中开面检查: 由于泵体、泵盖中开面密封是用胶密封,因此,对中开面的胶必须清理干净,确保重新安装时的密封效果。 泵重新组装: 1、装上叶轮键,将叶轮装在轴上,再在叶轮上套上泵体口环。 2、装上叶轮挡套、轴套、“O”形圈、填料衬套、水封环及填料压盖。 3、装带有机封的泵时,将装好了的机封的轴套、压盖装于泵上。 4、装挡水圈,油封,轴承压盖和轴承体。 5、将装好轴承的衬套一起装在轴上。 6、在轴的从动端装上锁紧园螺母,端盖垫和轴承端盖。 7、在轴的驱动端装上端盖垫,轴承端盖,联轴器和锁紧螺母。 8、吊转子部件置于泵体中。 9、确定泵体口环与销的位置是否正确。 10、装上轴承的螺栓。 11、在泵体的中开面上均匀的涂上密封胶。 12、装上泵盖和中开面螺栓,并均匀对称的拧紧螺栓。请检查转子的轴向间隙,该间隙应在0.15~0.2㎜之间,同时请确认转子转动灵活。 13、装填料,请参考“填料的具体装法”。 14、把挡水圈装在离轴承体1~6㎜。 15、装联轴器柱销,检查与电机的同轴度,如有必要应进行调整。 七、可能发生的故障及解决办法 故障 原因 解决办法 1、水泵不吸水,压力表及真空表的指针在剧烈摆动 注入水泵的水不够,吸入管路水管或仪表漏气 再往水泵内注水或拧紧堵塞漏气处 2、水泵不吸水,真空表表示高度真空 底阀没有打开,或已淤塞,吸入管路阻力太大,泵安装高度太高 校正或更改底阀,清洗或更改吸入管路,减低吸水高度 3、看压力表水泵出水处是有压力,然而水管仍不出水 出水管阻力太大,旋转方向不对,叶轮淤塞 检查或缩短水管及检查电机,取下水管接头,清洗叶轮 4、流量低于预计 水泵淤塞,口环磨损过多 清洗水泵及管子,更换口环 5、水泵耗费的功率过大 填料函压得太紧,填料函发热,因磨损叶轮坏了,水泵供水量增加 拧紧填料函,或将填料取出来打方一些,更换叶轮,增加出水管路的阻力,来降低流量 6、水泵内部声音反常,水泵不上水 流量太大,吸水管内阻力太大,吸水高度过大,在吸水处有空气渗入,所输送的液体温度过高 增加出水管得阻力以减低流量,检查泵吸入管内阻力,检查底阀减少吸水高度。拧紧堵塞漏气处。降低液体温度 7、轴承过热 没有油,水泵轴与电机轴不在一条中心线上 注油,把轴中心校准 8、水泵振动 泵轴与电机轴不在一条中心线上或泵轴倾斜了 把水泵和电机的轴中心线对准 型谱图(Performance Charts)








